



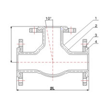
各部分材質Material of each part
|
序號
|
部位Position
|
材料Material Seienee |
|
1
|
內、外層膠Inner 1 outer一ining |
NR、NBR、EPDM
|
|
2
|
主體骨架Main skeleton |
尼龍簾布ny一on eord |
|
3
|
增壓環(huán)pressure ringf |
多股鍍銅鋼絲Multi strand eopper wire |
|
4
|
法蘭Iange
|
0235
|
|
5
|
堵頭Plug
|
0235
|
|
6
|
螺栓BOlt
|
45
|
|
7
|
濾網FIlter
|
不銹鋼Stainless steel |
|
項目 project
型號Model
|
KXT₃一1
|
KXT₃一1.6
|
|
工作壓力Mpa
Waking pressure Mpa |
1 .0(10)
|
1 .6(16)
|
|
爆破壓力Mpa
Bursting pressueMpe |
2.O(20)
|
2 .0(20)
|
|
真空度Kpa
Vacurn Kpa
|
53.3(400)
|
867(650)
|
|
適用溫度℃
Applicable temperature |
一20℃一1 15℃,特殊可達一30℃一250℃
一20℃一1 15℃,(for sPeeial eonditions)it ean be一30℃一250℃ |
|
|
適用介質
Applicable medlium |
空氣、壓縮空氣、水、海水、熱水、油、酸、堿等ir,eomPressed air,water,sea water,hot water,011.aeid and alkali ete. |
|
|
公稱通徑DN
Nominal diameter DN |
長度
Length L
(mm)
|
軸向位移
Axial displacement. |
橫向位移
Horizontal displacement (mm)
|
偏轉角度Deflexion
ange
(a1+a2)
|
||
|
mm
|
inch
|
伸長
Extension
|
壓縮
Compression
|
|||
|
50
|
2
|
290
|
15
|
23
|
23
|
8
|
|
80
|
3
|
320
|
20
|
25
|
25
|
8
|
|
100
|
4
|
405
|
20
|
25
|
25
|
8
|
|
150
|
6
|
500
|
22
|
34
|
34
|
8
|
|
200
|
8
|
560
|
23
|
36
|
36
|
8
|
